12.0mm x 9.0mm Size 2 DIN Quick Change Tap Adapter without Clutch - Emuge

F0563112

Emuge

  • £66.50


EM03/DIN - 12.0 x 9.0 - M16 - Size 2

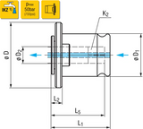
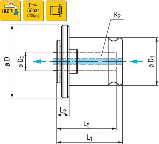
Quick-change holder for use in quick-change holders (e.g., KSN, SFM, GR-S).

Can be used up to 50 bar with internal coolant supply (ICS).

*Please note these are not available on a guaranteed next day delivery*

Description Size 2 quick-change adapter
Type EM
Type Size 03
Cutting Area (M) M16
Clamping Diameter (D2) 12.0mm
Shank Square (K2) 9.0mm
Outside Diameter (D) 48mm
Projection Length (L2) 10mm
Overall Length (L1) 45mm
D1 31mm
L5
41mm
F0563112 12.0MM X 9.0MM SIZE 2 DIN QUICK CHANGE TAP ADAPTER WITHOUT CLUTCH - EMUGE