20.0mm x 16.0mm Size 3 DIN Quick Change Tap Adapter without Clutch - Emuge

F0564116

Emuge

  • £138.48


EM04/DIN - 20.0 x 16.0 - M27 - Size 3

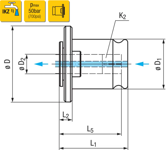
Quick-change holder for use in quick-change holders (e.g., KSN, SFM, GR-S).

Can be used up to 50 bar with internal coolant supply (ICS).

*Please note these are not available on a guaranteed next day delivery*

Description Size 3 quick-change adapter
Type EM
Type Size 04
Cutting Area (M) M27
Clamping Diameter (D2) 20.0mm
Shank Square (K2) 16.0mm
Outside Diameter (D) 70mm
Projection Length (L2) 11mm
Overall Length (L1) 67mm
D1 48mm
L5
60mm
F0564116 20.0MM X 16.0MM SIZE 3 DIN QUICK CHANGE TAP ADAPTER WITHOUT CLUTCH - EMUGE