28.0mm x 22.0mm Size 3 DIN Quick Change Tap Adapter without Clutch - Emuge

F0564119

Emuge

  • £138.48


EM04/DIN - 28.0 x 22.0 - M36 - Size 3

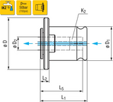
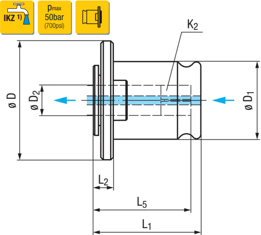
Quick-change holder for use in quick-change holders (e.g., KSN, SFM, GR-S).

Can be used up to 50 bar with internal coolant supply (ICS).

*Please note these are not available on a guaranteed next day delivery*

Description Size 3 quick-change adapter
Type EM
Type Size 04
Cutting Area (M) M36
Clamping Diameter (D2) 28.0mm
Shank Square (K2) 22.0mm
Outside Diameter (D) 70mm
Projection Length (L2) 11mm
Overall Length (L1) 67mm
D1 48mm
L5
66mm
F0564119 28.0MM X 22.0MM SIZE 3 DIN QUICK CHANGE TAP ADAPTER WITHOUT CLUTCH - EMUGE