36.0mm x 29.0mm Size 4 DIN Quick Change Tap Adapter without Clutch - Emuge

F0565121

Emuge

  • £301.17


EM05/DIN - 36.0 x 29.0 - M45-48 - Size 4

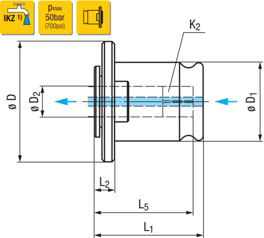
Quick-change holder for use in quick-change holders (e.g., KSN, SFM, GR-S).

Can be used up to 50 bar with internal coolant supply (ICS).

*Please note these are not available on a guaranteed next day delivery*

Description Size 4 quick-change adapter
Type EM
Type Size 05
Cutting Area (M) M45-48
Clamping Diameter (D2) 36.0mm
Shank Square (K2) 29.0mm
Outside Diameter (D) 92mm
Projection Length (L2) 48mm
Overall Length (L1) 111mm
D1 60mm
L5
109mm
F0565121 36.0MM X 29.0MM SIZE 4 DIN QUICK CHANGE TAP ADAPTER WITHOUT CLUTCH - EMUGE