7.0mm x 5.5mm (M10) Size 1 DIN Quick Change Tap Adapter with Clutch - Emuge

F0571107

Emuge

  • £124.90


EM-U01/DIN - 7.0 x 5.5 - M10 - Size 1

Quick-change holder with overload clutch for use in quick-change holders such as KSN, SFM, GR-S.

With overload clutch to prevent tool breakage.

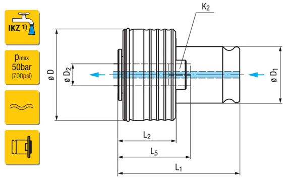
Can be used up to 50 bar with internal coolant supply (ICS).

*Please note these are not available on a guaranteed next day delivery*

Description Size 1 quick-change adapter
Type EM-U
Type Size 01
Cutting Area (M) M10
Clamping Diameter (D2) 7.0mm
Shank Square (K2) 5.5mm
Outside Diameter (D) 33mm
Projection Length (L2) 25mm
Overall Length (L1) 47mm
D1 19mm
L5
25mm
F0571107 7.0MM X 5.5MM (M10) SIZE 1 DIN QUICK CHANGE TAP ADAPTER WITH CLUTCH - EMUGE