7.0mm x 5.5mm Size 1 DIN Quick Change Tap Adapter without Clutch - Emuge
F0561107
EM01/DIN - 7.0 x 5.5 - M7 (M9-10) - Size 1
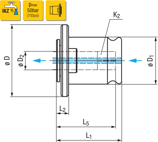
Quick-change holder for use in quick-change holders (e.g., KSN, SFM, GR-S).
Can be used up to 50 bar with internal coolant supply (ICS).
*Please note these are not available on a guaranteed next day delivery*

| Description | Size 1 quick-change adapter |
| Type | EM |
| Type Size | 01 |
| Cutting Area (M) | M7/M9-10 |
| Clamping Diameter (D2) | 7.0mm |
| Shank Square (K2) | 5.5mm |
| Outside Diameter (D) | 30mm |
| Projection Length (L2) | 7mm |
| Overall Length (L1) | 29mm |
| D1 | 19mm |
|
L5 |
25mm |