8.0mm x 6.2mm Size 2 DIN Quick Change Tap Adapter without Clutch - Emuge
F0563108
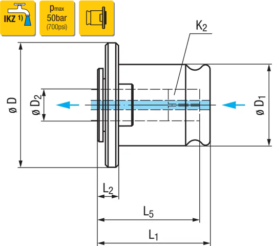
EM03/DIN - 8.0 x 6.2 - M8 (M11) - Size 2
Quick-change holder for use in quick-change holders (e.g., KSN, SFM, GR-S).
Can be used up to 50 bar with internal coolant supply (ICS).
*Please note these are not available on a guaranteed next day delivery*

| Description | Size 2 quick-change adapter |
| Type | EM |
| Type Size | 03 |
| Cutting Area (M) | M8/M11 |
| Clamping Diameter (D2) | 8.0mm |
| Shank Square (K2) | 6.2mm |
| Outside Diameter (D) | 48mm |
| Projection Length (L2) | 10mm |
| Overall Length (L1) | 45mm |
| D1 | 31mm |
|
L5 |
38mm |