9.0mm x 7.0mm Size 2 DIN Quick Change Tap Adapter without Clutch - Emuge

F0563109

Emuge

  • £66.50


EM03/DIN - 9.0 x 7.0 - M9 (M12) - Size 2

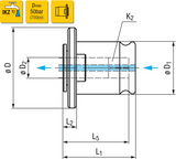
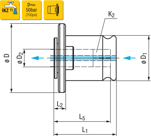
Quick-change holder for use in quick-change holders (e.g., KSN, SFM, GR-S).

Can be used up to 50 bar with internal coolant supply (ICS).

*Please note these are not available on a guaranteed next day delivery*

Description Size 2 quick-change adapter
Type EM
Type Size 03
Cutting Area (M) M9/M12
Clamping Diameter (D2) 9.0mm
Shank Square (K2) 7.0mm
Outside Diameter (D) 48mm
Projection Length (L2) 10mm
Overall Length (L1) 45mm
D1 31mm
L5
39mm
F0563109 9.0MM X 7.0MM SIZE 2 DIN QUICK CHANGE TAP ADAPTER WITHOUT CLUTCH - EMUGE